Bewährtes Design moderne Technik
Seit über 50 Jahren prägen Schwingtore von steinau das Bild vieler Garagen. Mit langjährigem Know-how und moderner Fertigungstechnik stehen sie für Qualität, Sicherheit und dauerhafte Funktionalität. Die Tore sind in verschiedenen Varianten aus Stahl und Holz erhältlich und bieten hohen Bedienungskomfort, wahlweise mit passendem Antrieb.
Ein verzinkter, dreiseitiger Rechteckrohrrahmen bildet die stabile Basis der Konstruktion, während das Torblatt durch waagerechte Stahlstreben zusätzlich verstärkt wird. Für noch mehr Flexibilität sind ebentüren im ansichtsgleichen Design erhältlich – ideal, um Fahrräder, Gartengeräte oder Werkzeuge bequem aus der Garage zu holen, ohne das Tor vollständig öffnen zu müssen.
* Nur in Kombination mit einem Antrieb
steinau Stahl-Schwingtore sind optimal gegen Witterungseinflüsse und Korrosion geschützt. Die verzinkten Tor- und Türblätter sind bis in die Schnittkanten hinein hochwertig pulverbeschichtet. Ob senkrechte oder waagerechte Sicken, Fischgrätmuster oder moderne Designs – steinau bietet eine große Auswahl an Normgrößen, Farben und Griffen.
Hinweis: Die Motivbezeichnungen gelten für den Tortyp GST. Beim Typ GST-500 können sie abweichen. Für weitere Informationen wenden Sie sich bitte an Ihren steinau-Fachhändler.
Die Prägung, oft in Form von rechteckigen oder quadratischen Kassetten, verleiht dem Tor eine ansprechende Struktur und Tiefe. Diese Prägungsmuster können variieren, von traditionellen bis hin zu modernen Stilen. Diese bieten eine Vielzahl von Optionen, um das Tor architektonisch an das Gebäude anzupassen.
Hinweis: Die Motivbezeichnungen gelten für den Tortyp GST. Beim Typ GST-500 können sie abweichen. Für weitere Informationen wenden Sie sich bitte an Ihren steinau-Fachhändler.
Alle Motive als Tortyp GST bis zu 3.000 mm Breite. Auch als Tortyp GST-500 für Doppelgaragen bis 5.000 mm Breite. Weitere Motive für Doppel- und Sammelgaragentore auf Anfrage. Ansichtsgleiche Nebentür, auch 2-flügelig (außer für Motiv 913, 914, 979).
Motive 902, 973 und 984 auch als Tortyp GST FG für Fertiggaragen.
Motiv 913 ca. 20% der Torfläche
Motiv 914 ca. 30% der Torfläche
Motiv 988 ca. 25% der Torfläche
Motiv 903 ca. 85% der Torfläche
Glatte verzinkte Stahloberfläche

Dauerhaft elegante und natürliche Ausstrahlung dank UV-beständiger Folienbeschichtung in Holzoptik.

Ihre Wunsch-Farbe ist noch nicht dabei? Kein Problem! Sie erhalten Ihr Schwingtor auch in RAL nach Wahl.

Tor- und Türblätter aus hochwertigem, verzinktem Stahl sind innen und außen farbgleich grundbeschichtet – für Witterungs- und Korrosionsschutz sowie ein harmonisches Erscheinungsbild. Die Zarge ist serienmäßig verzinkt, optional auch in Torfarbe erhältlich. Standard in Verkehrsweiß (RAL 9016), dazu sieben Vorzugsfarben und rund 200 RAL-Farben – ausgenommen Perleffekt-, Leucht- und Metallicfarben.

Schaffen Sie ein harmonisches Gesamtbild: Mit den abgestimmten Matchcolor Vorzugsfarben lassen sich Schwingtore, Haustüren, Nebeneingangstüren und Stahltüren ansichtsgleich und harmonisch kombinieren.
Die Massivholz-Schwingtore von steinau überzeugen mit Profilbrettern im Softline-Design und abgerundeten Kanten für eine edle Optik. Die Massivholzfüllungen aus Nordischer Fichte müssen vom Bauherrn lediglich noch gegen UV-Strahlen behandelt werden. Ob vollverkleidete Motive oder optional ohne Rahmen – steinau bietet vielseitige Gestaltungsmöglichkeiten. Alle Motive sind bis 3.000 mm Breite als Tortyp GST verfügbar, die Motive 905 und 934 zusätzlich als GST-500 für Doppelgaragen bis 5.000 mm Breite. Für die individuelle Farbgestaltung stehen 6 Vorzugsfarben zur Auswahl, sodass sich das Tor harmonisch an jede Fassade anpassen lässt. Damit verbinden steinau Massivholz-Schwingtore natürliche Ästhetik, Langlebigkeit und Vielfalt – ideal für Garagen mit Anspruch an Qualität und Design.
Größen und Einbaudaten


* Lichte Durchfahrtsmaße (Tor mit unterem Anschlag)
Breite:
Bau-Richtmaß minus 140 mm (160 mm bei GST 500)
Höhe:
Bau-Richtmaß minus 120 mm (180 mm bei GST 500)
Bau-Richtmaß minus 135 mm bei Motiv 905 (200 mm bei GST 500)
30 mm mehr Durchfahrt ohne unteren Anschlag (25 mm mehr bei GST 500)
Tore mit Modernisierungsblende
In der Breite darf das Fertigmaß um max. 10 mm unterschritten werden. In der Höhe darf das Fertigmaß bei Einbau mit unterem Anschlag um max. 10 mm unterschritten werden. Bei Toren mit durchgehendem Fußboden (Zarge auf OFF) sind 30 mm zum Fertigmaß hinzuzurechnen.
Tore für bauseitige Füllung (Motiv 905)
Bitte beachten Sie das maximale Gewicht bei bauseitiger Füllung, das je nach Torgröße zwischen 6 – 10 kg/m2 liegt. GST 500-Tore sind größenabhängig auch mit einem Füllungsgewicht bis 16 kg/m2 erhältlich, ausgenommen der schraffierte Bereich. Fragen Sie Ihren steinau Fachhändler, der Ihnen das präzise Füllungsgewicht pro m2 für Ihr Tor nennt.
Einbau hinter der Öffnung
Das empfohlene Fertigmaß wird für die Planung vorgeschlagen. Mindestanschläge, Sturzhöhe und Einbaubereich beziehen sich auf dieses Maß.
Tor mit unterem Anschlag
Mit Antrieb E60/E70, P80/P90
* Kein zusätzlicher Sturzbedarf erforderlich.
Ausnahme: Motive 905, 941, Motive mit Holzfüllung = 15 mm Freiraum.
Einbau in der Öffnung
Der Einbau in der Öffnung ist maßlich genauer abzustimmen. Insbesondere bei Toren in Normgrößen. Tore in Sondergrößen werden genau für die vorhandene Öffnung gefertigt.
Einbau hinter der Öffnung
Das empfohlene Fertigmaß wird für die Planung vorgeschlagen. Mindestanschläge, Sturzhöhe und Einbaubereich beziehen sich auf dieses Maß.
Hinweis für Normgrößen:
Wenn der seitliche Anschlag zwischen 60 und 105 mm beträgt, ist dies bei der Bestellung anzugeben.
Tor ohne unterem Anschlag
Das empfohlene Fertigmaß der Tabelle muss in der Höhe 25 mm größer sein.
Mit Antrieb E60/E70, P80/P90
* 65 mm Freiraum
Einbau in der Öffnung
Der Einbau in der Öffnung ist maßlich genauer abzustimmen, insbesondere bei Toren in Normgrößen. Tore in Sondergrößen werden genau für die vorhandene Öffnung angefertigt.
Größen und Einbaudaten
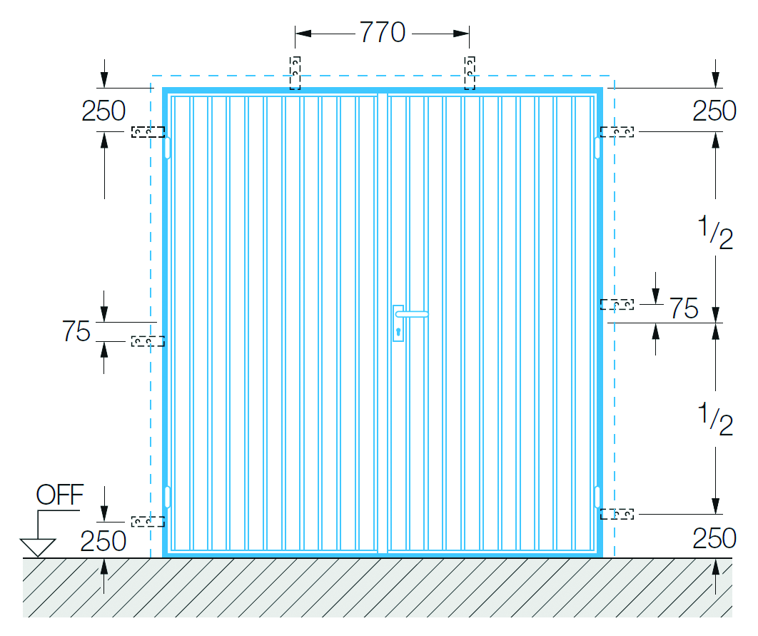
Einbau-Varianten für 1- und 2-flügelige Türen
Innenanschlag
Bei Türen mit Innenanschlag ist der untere Anschlagwinkel bzw. Transportwinkel grundsätzlich zu entfernen und für Wasserablauf nach außen zu sorgen. Türen auf der Wetterseite sind vorzugsweise im Außenanschlag einzubauen.
Bei Türen mit unterem Anschlag nach außen öffnend wird das Baurichtmaß in der Höhe immer von OFF des tieferen Fußbodens gemessen.
Normgrößen mit Stahlfüllung und für bauseitige Füllung werden standard-mäßig für Innenanschlag geliefert. Durch Umschrauben der Beschläge ist auch ein Außenanschlag möglich. Motive mit Holzfüllung nur für Außenanschlag möglich.
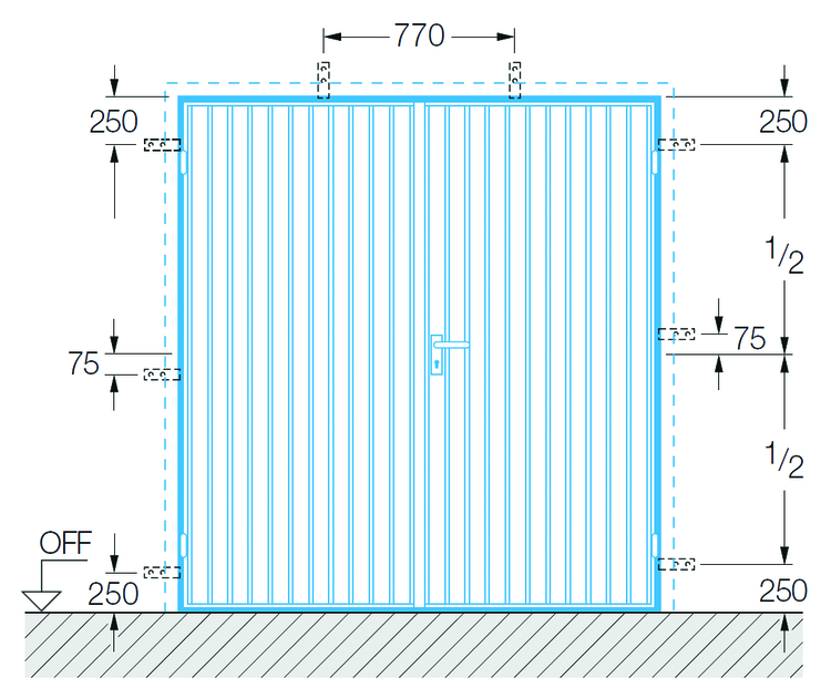
2-flügelig / Ankerabstände
Bei Türen mit unterem Anschlag nach außen öffnend wird das Baurichtmaß in der Höhe immer von OFF des tieferen Fußbodens gemessen.
Tür mit unterem Anschlag
Normgrößen mit Stahlfüllung und für bauseitige Füllung werden standardmäßig für Innenanschlag geliefert. Durch Umschrauben der Beschläge Außenanschlag möglich. Motive mit Holzfüllung nur für Außenanschlag möglich.
Einbau-Varianten für 1- und 2-flügelige Türen
Innenanschlag
Bei Türen mit Innenanschlag ist der untere Anschlagwinkel bzw. Transportwinkel grundsätzlich zu entfernen und für Wasserablauf nach außen zu sorgen. Türen auf der Wetterseite sind vorzugsweise im Außenanschlag einzubauen.
*Die Lichte Durchgangsbreite verringert sich bei einem Öffnungswinkel kleiner als 170°. Blockzarge für den Einbau in der Öffnung: Maße und Ausführungen auf Anfrage. Lieferung standardmäßig für Außenanschlag, Gehflügel rechts. Innenanschlag bzw. Gehflügel- Anordnung links bei Bestellung angeben!
Größen und Einbaudaten
| Bestellmaß Baurichtmaß |
Rahmen- außenmaß |
Lichtes Mauermaß |
Lichte Durchfahrt |
|||||||||
|---|---|---|---|---|---|---|---|---|---|---|---|---|
| Breite | Höhe | Breite | Höhe | Breite | Höhe | Breite | Höhe | |||||
| 2.375 | 2.045 | 2.509 | 2.148 | 2.449–2.489 | 2.088–2.108 | 2.235 | 1.925 | |||||
| 2.375 | 2.075 | 2.509 | 2.178 | 2.449–2.489 | 2.118–2.138 | 2.235 | 1.955 | |||||
| 2.425 | 2.075 | 2.559 | 2.178 | 2.499–2.539 | 2.118–2.138 | 2.285 | 1.955 | |||||
| 2.485 | 2.045 | 2.619 | 2.148 | 2.559–2.599 | 2.088–2.108 | 2.345 | 1.925 | |||||
| 2.500 | 2.075 | 2.634 | 2.178 | 2.574–2.614 | 2.118–2.138 | 2.360 | 1.955 | |||||
| 2.500 | 2.100 | 2.634 | 2.203 | 2.574–2.614 | 2.143–2.163 | 2.360 | 1.980 | |||||
| 2.560 | 2.125 | 2.694 | 2.228 | 2.634–2.674 | 2.168–2.188 | 2.420 | 2.005 | |||||
| 2.570 | 2.125 | 2.704 | 2.228 | 2.644–2.684 | 2.168–2.188 | 2.430 | 2.005 | |||||
| 2.590 | 2.075 | 2.724 | 2.178 | 2.664–2.704 | 2.118–2.138 | 2.450 | 1.955 | |||||
| 2.590 | 2.125 | 2.724 | 2.228 | 2.664–2.704 | 2.168–2.188 | 2.450 | 2.005 | |||||
| 2.705 | 2.125 | 2.839 | 2.228 | 2.779–2.819 | 2.168–2.188 | 2.565 | 2.005 | |||||
| 2.715 | 2.075 | 2.849 | 2.178 | 2.789–2.829 | 2.118–2.138 | 2.575 | 1.955 | |||||
| 2.720 | 2.200 | 2.854 | 2.303 | 2.794–2.834 | 2.243–2.263 | 2.580 | 2.080 | |||||
| 2.730 | 2.125 | 2.864 | 2.228 | 2.804–2.844 | 2.168–2.188 | 2.590 | 2.005 | |||||
| 2.325 | 1.905 | 2.459 | 2.008 | 2.399–2.439 | 1.948–1.968 | 2.185 | 1.785 | |||||
| 2.455 | 1.905 | 2.589 | 2.008 | 2.529–2.569 | 1.948–1.968 | 2.315 | 1.785 | |||||
| 2.350 | 1.935 | 2.484 | 2.038 | 2.424–2.464 | 1.978–1.998 | 2.210 | 1.815 | |||||
| 2.480 | 1.935 | 2.614 | 2.038 | 2.554–2.594 | 1.978–1.998 | 2.340 | 1.815 |
*Bei Deckengefälle bitte beachten!
Benötigter Freiraum für Laufschienen-Abhängung:
Höhe: 135 mm ab OK Torrahmen
Tiefe: Bestellmaß / Baurichtmaß
Höhe ab Toranlageebene
**Gesamtlänge Torantrieb E60, P80/P90 3.200 mm bis Torhöhe 2.500 mm
Entdecken Sie unser umfangreiches Sortiment an hochwertigen Antrieben und Zubehör für Ihr Garagentor. Von leistungsstarken Garagentorantrieben über praktische Handsender und moderne Steuerungslösungen bis hin zu zuverlässigen Sicherheitsfeatures – hier finden Sie alles, um Ihr Garagentor komfortabel, sicher und perfekt ergänzt auszustatten.
Finden Sie jetzt ihre Niederlassung in der Nähe!
Niederlassung findenKontakt
Social-Media
Suchen nach: